Tachometer installation 3.3l v6
Trying to install a aftermarket tachometer on a 93 Buick century 3.3l v6 and don’t really know what I’m doing and want to do it correctly what do I do any advice would help me greatly
The crank signal should work.
Operation CHARM: Car repair manuals for everyone.
Home >> Buick >> 1993 >> Century V6-204 3.3L VIN N FI >> Repair and Diagnosis >> Powertrain Management >> Diagrams >> Electrical Diagrams >> Ignition Controls
pro multis · About Operation CHARM
Operation CHARM: Car repair manuals for everyone.
Home >> Buick >> 1993 >> Century V6-204 3.3L VIN N FI >> Repair and Diagnosis >> Powertrain Management >> Diagrams >> Electrical Diagrams >> Ignition Controls
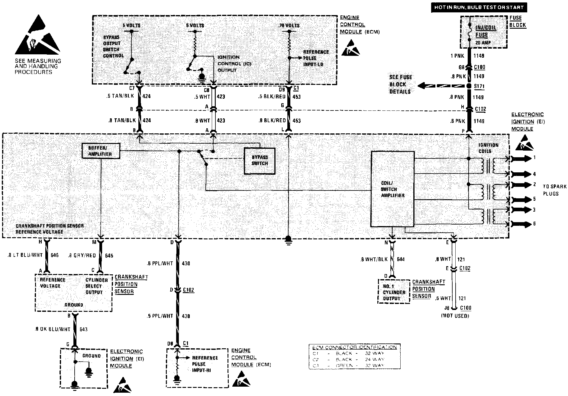
Ignition Controls
Wiring Diagram:
pro multis · About Operation CHARM
Thread
Thread Starter
Forum
Replies
Last Post







