No Interior lights
I'll look back over the beginning of my second manual, and see if they give any tips on reading the diagrams.
I'll have to look at book 2 of my FSM some more in a few, I seen the BCM (MALL) listed in it, so the diagrams for it have to be there.
I just wish searching through the pdf doc for the info was easier.
I think I had a temp retarded moment, since I built a new PC I had not put Adobe Acrobat Reader on here, I was using IE and searching via F3 like a noob, now I should be able to find what I am looking for a lot easier!
Ok, I think I am getting somewhere, I am looking at some fuse block details for the BCM first, and I see there is a fuse that sends power to the BCM, at least as long as I am reading this correctly.
If that is the case then I'll check for Fuse 1 in my Relay Center, which I believe is the one on the passenger side not far from the BCM, although the main relay center should be under the hood, before doing the suggested diagnostics I'll check that fuse to be sure the BCM is getting power.
Attaching the diagram I found for the BCM'* Fuse.
Going to do them in gif format from now on, so file size is smaller.
I know I may be checking this for nothing, because I am pretty sure if the BCM had no power at all, then I'd have a few other issues as well, like with the VSS, Anti Theft, and what not..
Ok, I think I am getting somewhere, I am looking at some fuse block details for the BCM first, and I see there is a fuse that sends power to the BCM, at least as long as I am reading this correctly.
If that is the case then I'll check for Fuse 1 in my Relay Center, which I believe is the one on the passenger side not far from the BCM, although the main relay center should be under the hood, before doing the suggested diagnostics I'll check that fuse to be sure the BCM is getting power.
Attaching the diagram I found for the BCM'* Fuse.
Going to do them in gif format from now on, so file size is smaller.
I know I may be checking this for nothing, because I am pretty sure if the BCM had no power at all, then I'd have a few other issues as well, like with the VSS, Anti Theft, and what not..
Ok finally found the diagrams I needed, I think the BCM C1 and C2 already have the letters on each circuit, I cannot remember from the last time I looked at it, but with these diagrams I am 100% sure I'll be checking the right wires, yeah I know they are color coded, and that should be enough, but I am trying to teach myself to properly read/use the diagrams I now have.
Here are the diagram'* on the BCM (MALL) connector C1 and C2 harness.
I put red marks on the two connectors that I will be checking voltage to ground on, if both terminal C1-G and C2-C13 have voltage then at step 3 I just check C1 - G to D for voltage.
If I find voltage through out all 3 of those steps, then I am going to have to do some wire tracing to splice points, which I have no clue how I am going to do, especially if I have to try to follow wires to where they are spliced.
I'll have to learn my way around the diagrams better, and learn to find where the splice points are, that way I can just set to ohms and check the wire from end to end for continuity.
If no continuity then I'll have no choice but to trace down the wore and check it for kinks or shorts all the way to the splice points.
I hope the BCM is not bad, because I am pretty sure I have to get GM to use the Tech II to program it if I get a new one, although that may be costly, it sounds easier than chasing down wires that I have to situate myself upside down in the car to even see them....
If all else fails I'll unwrap the driver side ground buss and clean it, then try to locate the others.
Here are the diagram'* on the BCM (MALL) connector C1 and C2 harness.
I put red marks on the two connectors that I will be checking voltage to ground on, if both terminal C1-G and C2-C13 have voltage then at step 3 I just check C1 - G to D for voltage.
If I find voltage through out all 3 of those steps, then I am going to have to do some wire tracing to splice points, which I have no clue how I am going to do, especially if I have to try to follow wires to where they are spliced.
I'll have to learn my way around the diagrams better, and learn to find where the splice points are, that way I can just set to ohms and check the wire from end to end for continuity.
If no continuity then I'll have no choice but to trace down the wore and check it for kinks or shorts all the way to the splice points.
I hope the BCM is not bad, because I am pretty sure I have to get GM to use the Tech II to program it if I get a new one, although that may be costly, it sounds easier than chasing down wires that I have to situate myself upside down in the car to even see them....
If all else fails I'll unwrap the driver side ground buss and clean it, then try to locate the others.
I got out and pulled the BCM out enough to fight with the protecting clips or whatever they are, while upside down, finally got the first connector C1 disconnected, and terminal G has power, like 13v though, probably because my trickle charger is hooked up, I expected 12 to 12.5 volts.
It is raining too much, and it is too cold out there, so I'll have to disconnect connector C2 later, and test C13 on it for voltage.
It is raining too much, and it is too cold out there, so I'll have to disconnect connector C2 later, and test C13 on it for voltage.
Disconnected C2 on the BCM, turned car to ON, and tested for voltage at C13/pink wire, and it has voltage.
So then I tested the connector C1 GtoD for voltage, and I have voltage.
So now I have one more step to rule out the BCM as being bad.
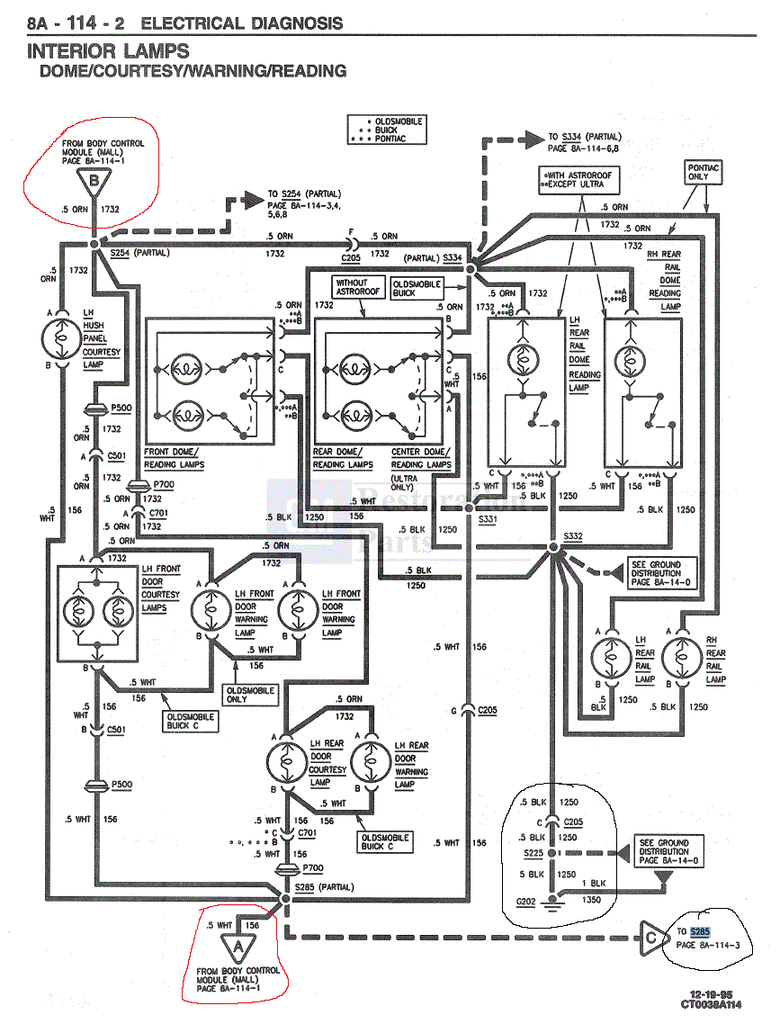
I need to find white (156), and check that wire for an opening/short between splice S285 and the BCM, also I need to check orange (1732) for an opening/short between splice S254 and the BCM, if both are good then replacing the BCM is suggested.
Couldn't I still have a bad ground stopping the lights somehow, I mean the voltage to them does not come from the BCM right?
The BCM I think is just used to tell the circuit the lights are on when to come on, dim, or go off...
So then I tested the connector C1 GtoD for voltage, and I have voltage.
So now I have one more step to rule out the BCM as being bad.
I need to find white (156), and check that wire for an opening/short between splice S285 and the BCM, also I need to check orange (1732) for an opening/short between splice S254 and the BCM, if both are good then replacing the BCM is suggested.
Couldn't I still have a bad ground stopping the lights somehow, I mean the voltage to them does not come from the BCM right?
The BCM I think is just used to tell the circuit the lights are on when to come on, dim, or go off...
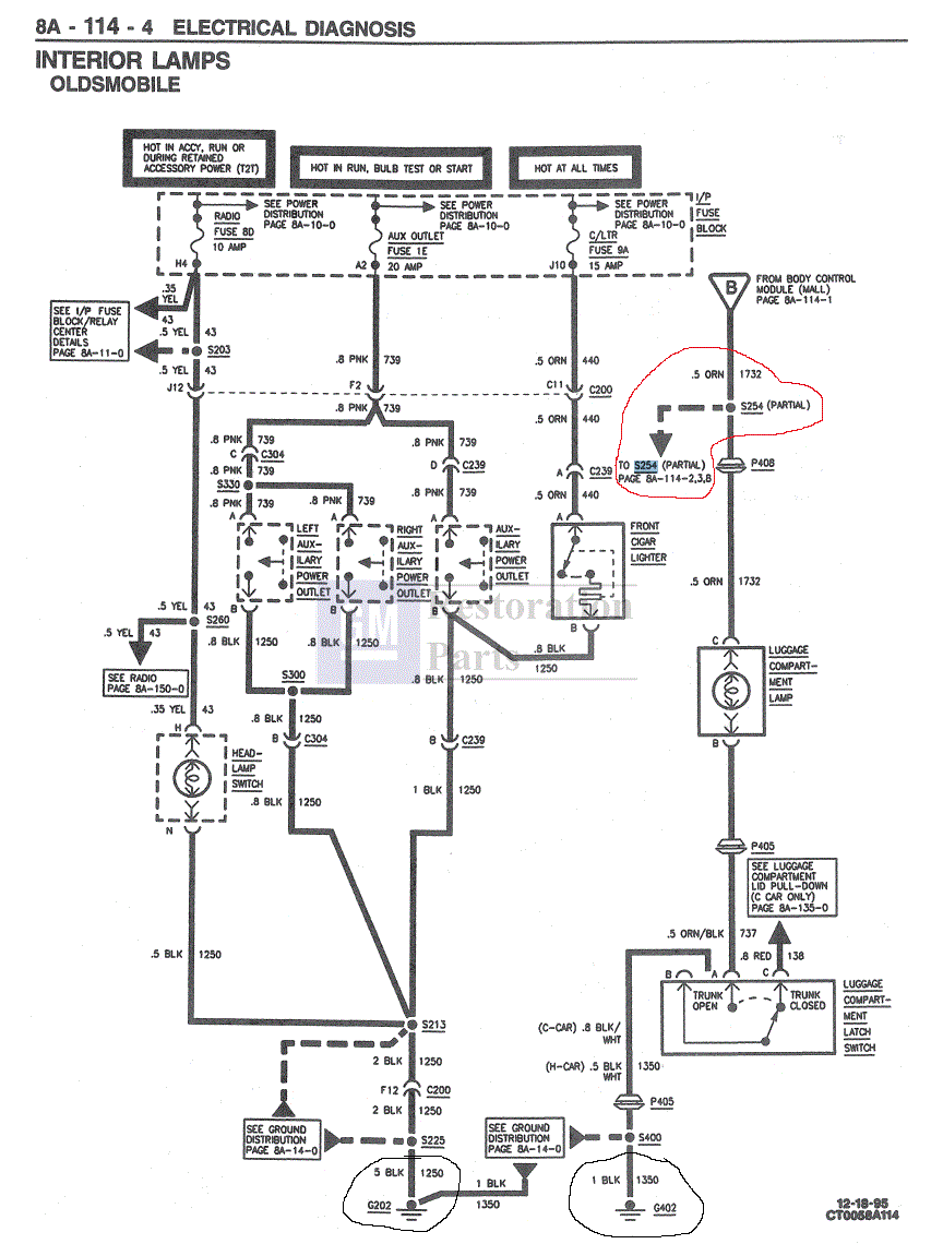
I am trying to look over this FSM, it looks like these diagrams cover the two wires in question, time to look them over a bit and try to figure where they run to.
It looks like these are the two wires that run from the BCM to each interior light.
If my issue is a ground issue, then if I am reading these right it looks like the common ground for each is on the bottom right of the first diagram, listed 1350/black, it looks like it becomes 1250/black after passing through the splice labeled S225.
So is G202 going to be the ground I am looking for if my light issue is indeed a ground issue?
Is G202 a ground at a ground buss?
Sorry for so many questions, hopefully somebody has the knowledge, and patience to help me figure this out.
In the 3rd diagram I am posting I can see the areas for the splices listed to test from to the BCM, but finding them on the actual car will probably be more difficult..
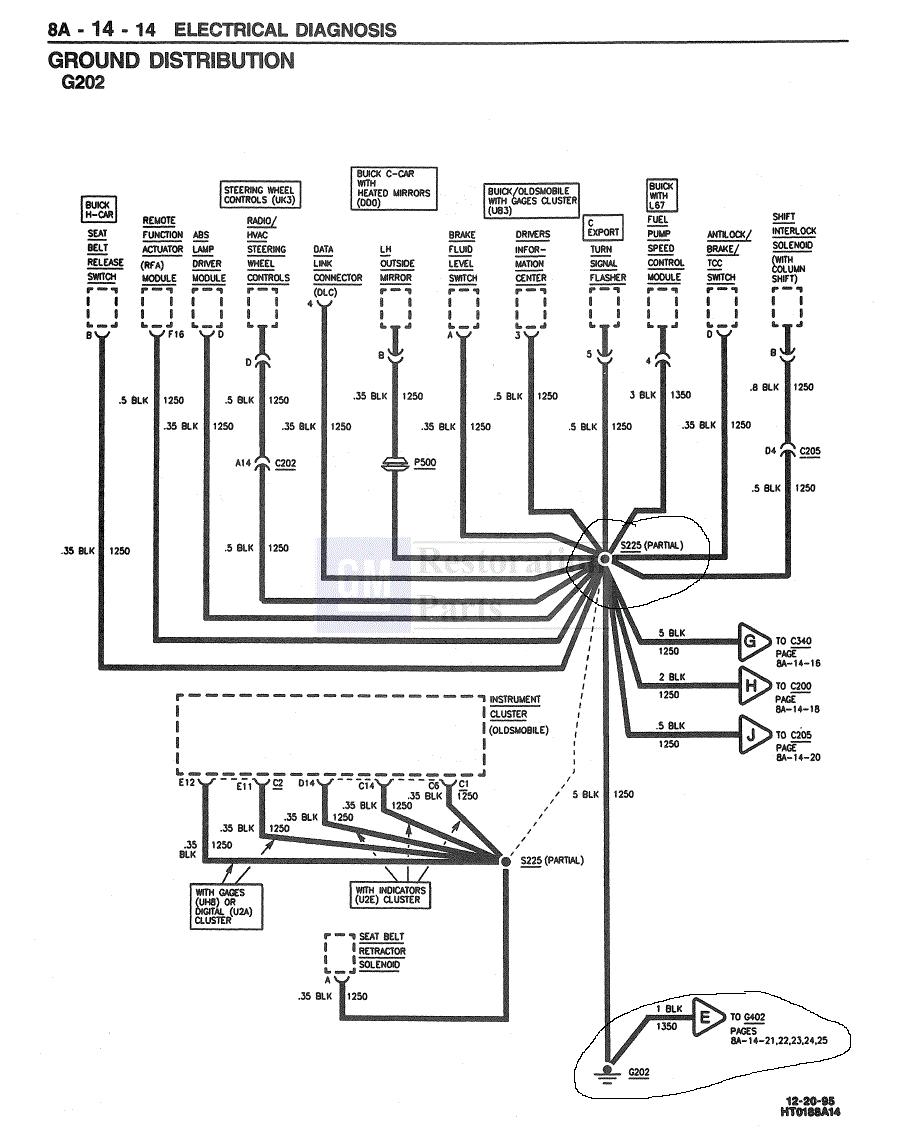
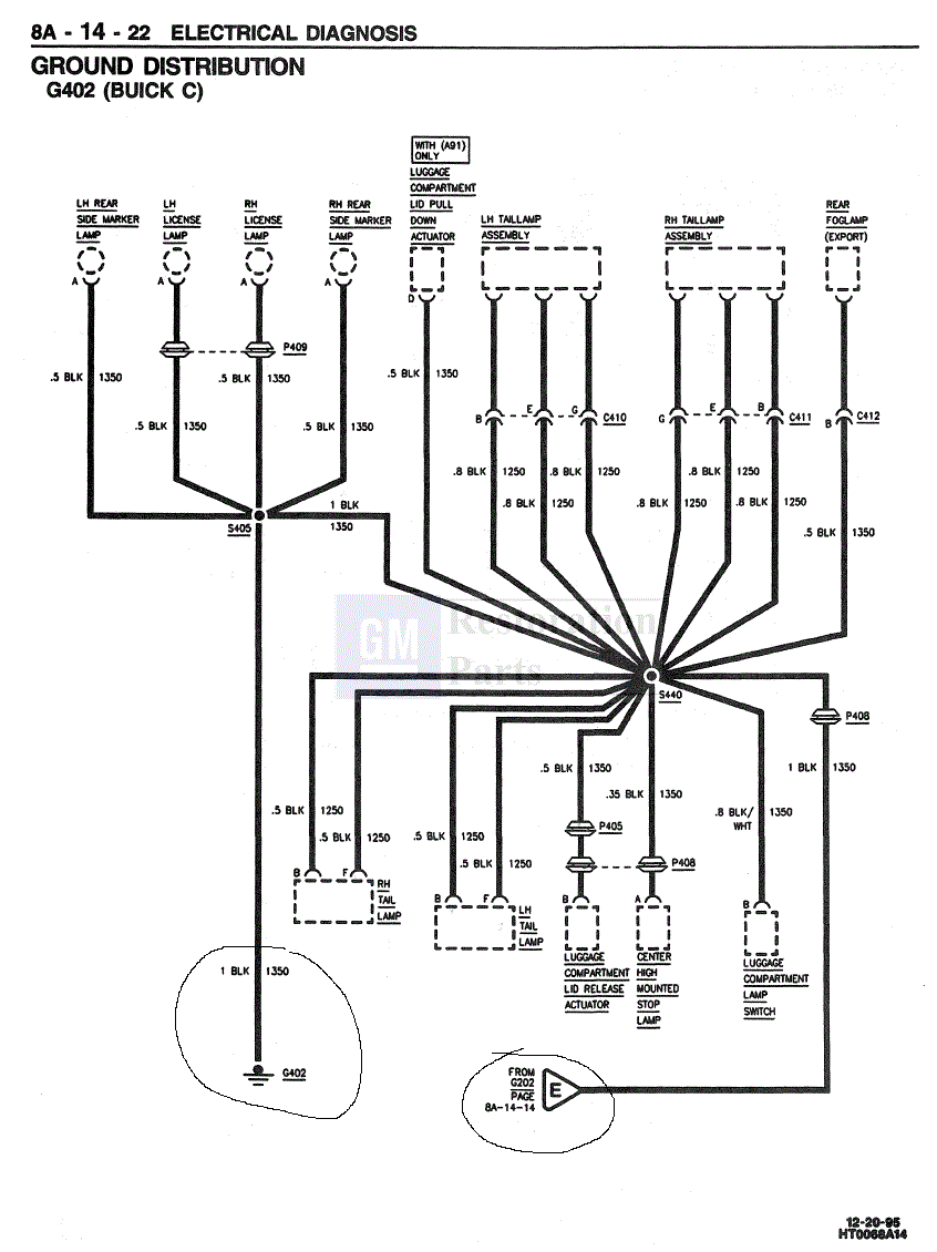
I see another possible ground buss, or ground location listed, it is G402, I am having trouble understanding where that ground comes from or goes to, it looks like it ends in the trunk, and is maybe for the pull down motor, I'll have to look this last diagram over more once I have had some sleep.
Last thing I am going to do is look back over the ground distribution center mentioned to be in section 8-A-14-0
It looks like these are the two wires that run from the BCM to each interior light.
If my issue is a ground issue, then if I am reading these right it looks like the common ground for each is on the bottom right of the first diagram, listed 1350/black, it looks like it becomes 1250/black after passing through the splice labeled S225.
So is G202 going to be the ground I am looking for if my light issue is indeed a ground issue?
Is G202 a ground at a ground buss?
Sorry for so many questions, hopefully somebody has the knowledge, and patience to help me figure this out.
In the 3rd diagram I am posting I can see the areas for the splices listed to test from to the BCM, but finding them on the actual car will probably be more difficult..
I see another possible ground buss, or ground location listed, it is G402, I am having trouble understanding where that ground comes from or goes to, it looks like it ends in the trunk, and is maybe for the pull down motor, I'll have to look this last diagram over more once I have had some sleep.
Last thing I am going to do is look back over the ground distribution center mentioned to be in section 8-A-14-0
Here are the 2 diagrams for the ground distribution, it does not make any sense to me at the moment, I am guessing G202 or G404 goes to a ground buss that may be corroded, I guess I'll have to search for each one, clean them, and hope that fixes the issue.
I still am hoping to better understand these diagrams, and learn to chase grounds back to their main ground buss location.
Yeah I understand I have not totally completed the diagnosis steps listed in the troubleshooting of the interior lights procedure, but to be honest I am pretty sure all those wires are fine, and it is a ground issue somewhere, after all my floor boards in front, and in back, have been taking in water for like 2 years now, as I try to chase down a stupid water leak...
I still am hoping to better understand these diagrams, and learn to chase grounds back to their main ground buss location.
Yeah I understand I have not totally completed the diagnosis steps listed in the troubleshooting of the interior lights procedure, but to be honest I am pretty sure all those wires are fine, and it is a ground issue somewhere, after all my floor boards in front, and in back, have been taking in water for like 2 years now, as I try to chase down a stupid water leak...
Would it not be much easier to just pull out the carpet to get to the body grounds?
You could do it in about 1 hour.
If you wade for the power seat to stop working from the windshield leaking you could have a lot of more problems.
You could do it in about 1 hour.
If you wade for the power seat to stop working from the windshield leaking you could have a lot of more problems.
Yeah it would be a lot easier, and that is what I plan to do, we had a lot of rain recently, and I have no garage to work on it in, the weather just started to get nicer though, so soon I'll get on pulling the seats, and the carpet.
Then I'll find all of the grounds, and clean them, put some dielectric grease on them, and make sure they won't corrode again.
I am not sure it is the windshield leaking to be honest, it is a possibility though.
I have also been looking around for another vehicle, that way I can tear this one apart, and fix everything properly, without being in a rush.
I'd like to fix the PA up and have it so it will last another 150k to 170k, but if I get this 2005 GMC Envoy that I have my eyes on, then the Park Ave will be my back up ride, maybe even the one I use if I ever go on trips, because it is decent on gas, and is one comfortable ride on long trips.
Then I'll find all of the grounds, and clean them, put some dielectric grease on them, and make sure they won't corrode again.
I am not sure it is the windshield leaking to be honest, it is a possibility though.
I have also been looking around for another vehicle, that way I can tear this one apart, and fix everything properly, without being in a rush.
I'd like to fix the PA up and have it so it will last another 150k to 170k, but if I get this 2005 GMC Envoy that I have my eyes on, then the Park Ave will be my back up ride, maybe even the one I use if I ever go on trips, because it is decent on gas, and is one comfortable ride on long trips.
Something I just read while looking for info on removing the front seats.
""Notice: If the vehicle interior has been exposed to extensive water intrusion, such as water leaks, widow left open, driving through high water and so forth, the Sensing and Diagnostic Module (SDM) and the SDM connector may need to be replaced. With the ignition OFF, inspect the area under the front seat, and the area around the SDM, including the carpet. If any significant soaking, or evidence of significant soaking is detected, the water must be removed, water damage repaired, and the SDM and SDM connector must be replaced. Before attempting any of these repairs the SIR system must be disabled. See section 91 under "ON VEHICLE SERVICE" for instructions on how to disable the SIR system and replace the SDM.""
So I guess I need to figure out where and what the hell this SDM is, and I am just guessing, but I think I may have to replace it, because I am sure it has gotten wet a few times...
""Notice: If the vehicle interior has been exposed to extensive water intrusion, such as water leaks, widow left open, driving through high water and so forth, the Sensing and Diagnostic Module (SDM) and the SDM connector may need to be replaced. With the ignition OFF, inspect the area under the front seat, and the area around the SDM, including the carpet. If any significant soaking, or evidence of significant soaking is detected, the water must be removed, water damage repaired, and the SDM and SDM connector must be replaced. Before attempting any of these repairs the SIR system must be disabled. See section 91 under "ON VEHICLE SERVICE" for instructions on how to disable the SIR system and replace the SDM.""
So I guess I need to figure out where and what the hell this SDM is, and I am just guessing, but I think I may have to replace it, because I am sure it has gotten wet a few times...






