Chevrolet When starting new posts, please specify YEAR, MAKE, MODEL, ENGINE type, and whatever modifications you have made.

What is this connector for?

Thread Tools
 
Search this Thread
 
Old Jan 5, 2022 | 07:47 AM
  #11  
Dlillie87's Avatar
Thread Starter
Junior Member
Posts like a Ricer Type-R
 
Joined: Jun 2021
Posts: 14
Likes: 0
Dlillie87 is on a distinguished road
Default

Originally Posted by CathedralCub
A question:

The 1994, because it is a 2500, might have had a 4L80E, not a 4L60E.

The 1993 1500 would have had a 4L60E.

Are you sure the 1994 transmission is a 4L60E?

Not sure if this connector is related.
Yes it'* a 4l60e, I had it rebuilt this summer. It'* a light duty 2500. But I do plan on using the 2500 computer with everything since I know it'* made to go with this specific engine transmission
Reply
Old Jan 5, 2022 | 07:50 AM
  #12  
Dlillie87's Avatar
Thread Starter
Junior Member
Posts like a Ricer Type-R
 
Joined: Jun 2021
Posts: 14
Likes: 0
Dlillie87 is on a distinguished road
Default

Originally Posted by carfixer007
Did you grab the computers? Here'* the wring diagrams for the 94 2500.


I have both computers. Planned on using the 2500 computer since I know for sure it goes with the engine and transmission
Reply
Old Jan 5, 2022 | 07:56 AM
  #13  
Dlillie87's Avatar
Thread Starter
Junior Member
Posts like a Ricer Type-R
 
Joined: Jun 2021
Posts: 14
Likes: 0
Dlillie87 is on a distinguished road
Default

There are actually 2 connectors on the harnesses that are different, both right in the same spot behind the glovebox but not the computer connectors. One of the connectors is technically the same, but different wires.


Connector on the GMC harness

The same connector on the Chevy harness, but different wires
Reply
Old Jan 5, 2022 | 01:28 PM
  #14  
carfixer007's Avatar
Senior Member


True Car Nut
 
Joined: Dec 2018
Posts: 3,243
Likes: 1,602
From: Flint, MI USA
carfixer007 is on a distinguished road
Default

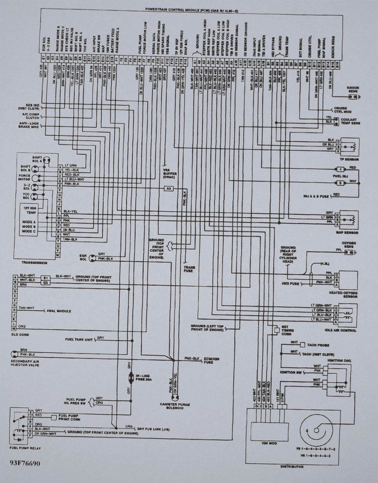
Here'* the 93 Chevy
This is all the engine management system. If you need IP let me know.





Last edited by carfixer007; Jan 5, 2022 at 01:30 PM.
Reply
Related Topics
Thread
Thread Starter
Forum
Replies
Last Post
Pktb2020
GMC/Chevrolet Truck/SUV
3
Oct 11, 2021 11:59 AM
Dlillie87
GMC/Chevrolet Truck/SUV
2
Aug 10, 2021 08:56 PM
Danmansr
Chevrolet
4
Nov 2, 2019 07:20 PM
PStan
GMC/Chevrolet Truck/SUV
3
Oct 13, 2016 07:45 AM
supaflyz
General GM Chat
1
Jun 5, 2014 03:23 AM




All times are GMT -4. The time now is 12:44 PM.