2003 Cavalier Overheating
Hey, I have a 2003 base model Cavalier, has a 2.2 ECOTECH engine, manual transmission.
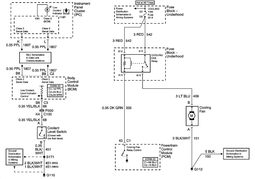
Car is overheating during stop and go driving ie. in town. At hwy speeds i have no overheating issues. This has been an ongoing issue. I have not noticed any leaks, coolant level is good, checked all associated fuses, changed out the cooling fan relay thats in the relay center under the hood because I noticed the fan was not coming on. Verified by idling car with A/C on, and the coolant temp indicated it was getting hot ( approx. 240 degrees) and the fan never did come on.
This car has no other issues what-so-ever. Just wanted to know if there is anything else i should check before i decide to take to a mechanic.
Car is overheating during stop and go driving ie. in town. At hwy speeds i have no overheating issues. This has been an ongoing issue. I have not noticed any leaks, coolant level is good, checked all associated fuses, changed out the cooling fan relay thats in the relay center under the hood because I noticed the fan was not coming on. Verified by idling car with A/C on, and the coolant temp indicated it was getting hot ( approx. 240 degrees) and the fan never did come on.
This car has no other issues what-so-ever. Just wanted to know if there is anything else i should check before i decide to take to a mechanic.
Last edited by 1972Novaguy; Jun 28, 2015 at 11:26 PM.
Welcome to the forums Mike.
This Cavalier fan link has some good information about further testing.
How to Troubleshoot a Cavalier Radiator Fan (5 Steps) | eHow
This Cavalier fan link has some good information about further testing.
How to Troubleshoot a Cavalier Radiator Fan (5 Steps) | eHow
__________________
1997 Buick Pk Ave (Soft Ride) Suspension!
1997 Buick Pk Ave (Soft Ride) Suspension!
Thread
Thread Starter
Forum
Replies
Last Post










