Buick When starting new posts, please specify YEAR, MAKE, MODEL, ENGINE type, and whatever modifications you have made.

2007 Buick LaCrosse Crank No Start

Thread Tools
 
Search this Thread
 
Old Jun 7, 2022 | 09:21 PM
  #11  
RedCloud657's Avatar
Thread Starter
Member
Posts like a V-Tak
 
Joined: Jun 2022
Posts: 79
Likes: 26
RedCloud657 is on a distinguished road
Default

There isn’t power in the terminal that comes from pcm to the fuel pump relay at all so different relays won’t make a difference. Do you think a Body Control Module could prevent the PCM from sending power due to the BCM not sending the fuel enable signal?
Reply
Old Jun 7, 2022 | 09:52 PM
  #12  
carfixer007's Avatar
Senior Member


True Car Nut
 
Joined: Dec 2018
Posts: 3,239
Likes: 1,597
From: Flint, MI USA
carfixer007 is on a distinguished road
Default

The PCM grounds the relay when it gets a clear start signal. If you bypass the relay does the pump run?
The car does run good when it ran last?
Reply
Old Jun 8, 2022 | 01:20 AM
  #13  
RedCloud657's Avatar
Thread Starter
Member
Posts like a V-Tak
 
Joined: Jun 2022
Posts: 79
Likes: 26
RedCloud657 is on a distinguished road
Default

That’* how I got the car to run by bypassing the relay. Runs perfectly when I have the fuel pump running the whole time.
I checked for power at the relay terminals in the fuse box and I only have voltage in the terminal that gets power from the fuse.
I should be getting two hot terminals right?
The other three terminals that have no voltage have continuity to the engine ground and battery ground so I’ll check the wiring for that tomorrow when I have time.
Reply
Old Jun 8, 2022 | 09:27 AM
  #14  
carfixer007's Avatar
Senior Member


True Car Nut
 
Joined: Dec 2018
Posts: 3,239
Likes: 1,597
From: Flint, MI USA
carfixer007 is on a distinguished road
Default

Originally Posted by RedCloud657
That’* how I got the car to run by bypassing the relay. Runs perfectly when I have the fuel pump running the whole time.
I checked for power at the relay terminals in the fuse box and I only have voltage in the terminal that gets power from the fuse.
I should be getting two hot terminals right?
The other three terminals that have no voltage have continuity to the engine ground and battery ground so I’ll check the wiring for that tomorrow when I have time.
If the relay is working it will apply the B+ to the pump side. That is pin 87 I believe. The only way that pin 87 gets B+ is if the relay is working. The only way to check it is while cranking. KOEO will not work so I'm not sure you checked it right. Real quick to do is to swap the relay with another and see what you get. Do you have the wiring diagram of the circuit?
Reply
Old Jun 8, 2022 | 09:56 PM
  #15  
RedCloud657's Avatar
Thread Starter
Member
Posts like a V-Tak
 
Joined: Jun 2022
Posts: 79
Likes: 26
RedCloud657 is on a distinguished road
Default

I tried swapping relays and nothing happens even after I get the car running with wires. My problem is that I don’t have power on the terminals that host pin 86 or 85 which is the energizing side of the relay. That’* what I meant when I asked if there should be two hot terminals. One for the energizing side and one for the open side in the relay. I get power on the terminal that hosts pin 87 but I need power on either pin 86 or 85 that way the PCM can do it’* job.
I insert wires into pin 87 and 30 to bypass the relay with a toggle switch to get the car running.
I’ll get that wiring diagram in a few minutes.
Reply
Old Jun 8, 2022 | 10:16 PM
  #16  
carfixer007's Avatar
Senior Member


True Car Nut
 
Joined: Dec 2018
Posts: 3,239
Likes: 1,597
From: Flint, MI USA
carfixer007 is on a distinguished road
Default

Originally Posted by RedCloud657
I tried swapping relays and nothing happens even after I get the car running with wires. My problem is that I don’t have power on the terminals that host pin 86 or 85 which is the energizing side of the relay. That’* what I meant when I asked if there should be two hot terminals. One for the energizing side and one for the open side in the relay. I get power on the terminal that hosts pin 87 but I need power on either pin 86 or 85 that way the PCM can do it’* job.
I insert wires into pin 87 and 30 to bypass the relay with a toggle switch to get the car running.
I’ll get that wiring diagram in a few minutes.
If you have B+ on pin 87 the pump will run. That can only happen if the relay is on and working. The relays only job is to apply B+ to pin 87 when the PCM grounds the relay magnet. That makes me think you have something wrong in your diagnosis.
Reply
Old Jun 8, 2022 | 10:23 PM
  #17  
carfixer007's Avatar
Senior Member


True Car Nut
 
Joined: Dec 2018
Posts: 3,239
Likes: 1,597
From: Flint, MI USA
carfixer007 is on a distinguished road
Default

How are you powering the fuel pump? If the relay don't have B+ how is it getting to pin 87? What'* going on with the fuse?
Reply
Old Jun 8, 2022 | 11:00 PM
  #18  
RedCloud657's Avatar
Thread Starter
Member
Posts like a V-Tak
 
Joined: Jun 2022
Posts: 79
Likes: 26
RedCloud657 is on a distinguished road
Default

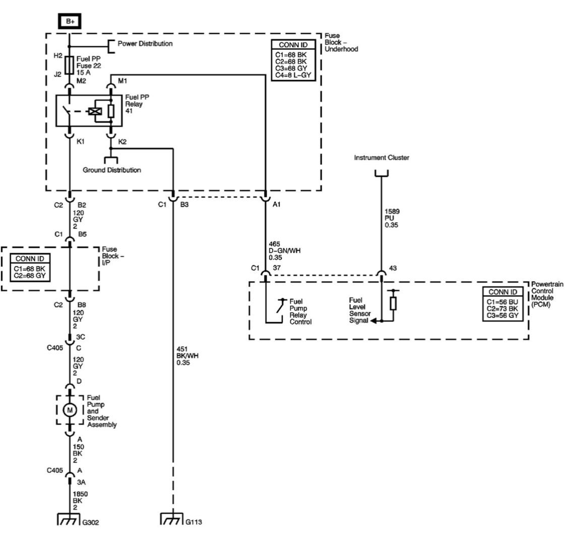
Instead of pin numbers let’* go with this diagram so I’m not confusing you or myself lol
I really appreciate you helping me diagnosis this so thank you.
There is no power going to the relay magnet so a relay wont work either way. On the diagram it has for the fuel pump relay, it shows that the PCM should be sending power and that the magnet is grounded at all times.
I have power at M2 but I should be getting power at M1 when the key is just turned on and when the car is cranking but I dont. I have a good ground on K1 and K2 but I also see continuity from M1 to ground so I think I’ll check the connections next.

Reply
Old Jun 8, 2022 | 11:23 PM
  #19  
carfixer007's Avatar
Senior Member


True Car Nut
 
Joined: Dec 2018
Posts: 3,239
Likes: 1,597
From: Flint, MI USA
carfixer007 is on a distinguished road
Default

What is that diagram from?
Reply
Old Jun 8, 2022 | 11:41 PM
  #20  
RedCloud657's Avatar
Thread Starter
Member
Posts like a V-Tak
 
Joined: Jun 2022
Posts: 79
Likes: 26
RedCloud657 is on a distinguished road
Default

It’* from identifix. It’* a subscription my college has in their automotive program.
Its specific to the vehicle we’re talking about.
Reply



All times are GMT -4. The time now is 10:29 AM.