replacing the EBCM
Is this something I can attempt myself? I have never bled/flushed my brake system, only topped it off before. I need to replace the EBCM on my SSEi, and I will have to basically drain the entire system since it is the lowest part of the system. Any tips? ALLDATA?
The EBCM is the computer, and doesn't have brake fluid going through it.
I assume you mean PMV?
I've done mine, and blead/flushed the entire system afterwards with no issues, other than the one I put in was bad, and had a different fault code.
A power bleeder like I built would be very good for this job. It takes ALOT of foot pumping to flush through a system. In addition, most PMV'* have self-bleeding checkvalves.
I assume you mean PMV?
I've done mine, and blead/flushed the entire system afterwards with no issues, other than the one I put in was bad, and had a different fault code.
A power bleeder like I built would be very good for this job. It takes ALOT of foot pumping to flush through a system. In addition, most PMV'* have self-bleeding checkvalves.
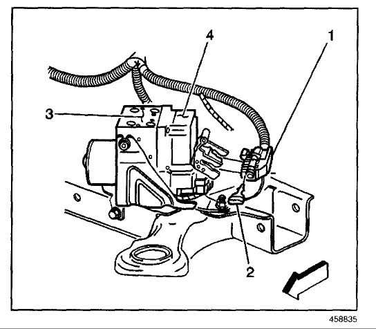
I was told the EBCM is what is bad on my car. I got the part from Ed Morad. It is the entire unit, with the brake lines just cut off. The electrical plug connects to the other side of the unit.
I bought this to use for bleeding and flushing out brake lines.
http://www.amazon.com/Motive-0101-Un.../dp/B0002KM5LA
http://www.amazon.com/Motive-0101-Un.../dp/B0002KM5LA
Dick, you can make a better one for 20 bucks. I posted it in General Chat.
Andrew, I'll default to the 2k guys on this. That'* what the 92-99 call the PMV, unless your EBCM is integrated into it.
Andrew, I'll default to the 2k guys on this. That'* what the 92-99 call the PMV, unless your EBCM is integrated into it.
The EBCM and BPMV are bolted together, but the EBCM can be replaced alone. I suspect you got the entire assembly with both components from Ed. The process to bleed the system is quite standard, but there is a second automated bleed procedure which may be necessary. You'll want to familiarize yourself with the steps to do this from the FSM before you start. If you don't have access to all the info, let me know and I can help out, but the FSM will be your best source here due to the number of steps involved.
I think I might try to bring my car to my dad'* shop over Xmas break and do a bunch of things that I have been meaning to. Thanks for your offer Darcy. I'll report back with problems as they arise.
Thread
Thread Starter
Forum
Replies
Last Post




