Problems Starting my 1996 SSEi
Thread Starter
Junior Member
Posts like a Ricer Type-R
Joined: May 2010
Posts: 13
Likes: 0
From: Richmond, VA

I've been trying to troubleshoot this problem for a while. It started after the car sat for about 4 months, prior to that it was running like a top!
When I start it, it shuts-off after about 5-10 seconds; it'* not a stall, the engine cuts off like I turned the key off. I can restart it immediately, and it does the same thing. Eventually, after anywhere from 5-20 attempts, it will start and stay running.
At the same time, it started throwing a P0102 code, 'MAF Sensor Low Input'. I have an ELM327 OBDII interface, and software, that I use to monitor the sensors, and the MAF will work at times, but most of the time it just shows 2.11 g/*. If I unplug the MAF, it of course shows 0.00 g/*. I replaced the MAF, with no changes in behaviour. Even if I leave the MAF unplugged, I have the same experience trying to start it; so I am not sure the problems are associated. I am leaning towards some other problem that makes the MAF appear to be failing.
Once the vehicle starts, and warms up - it starts just fine. So far this seems to be associated with the fuel system going from open loop to closed loop; but I only have anecdotal evidence of this - nothing concrete, since monitoring the sensor values is sketchy at best - reading the values of any given sensor every 3-5 seconds leaves alot to the imagination.
When cruising along, it chugs here and there, and I'm pretty sure I've been able to associate that with the MAF kicking in and out.
I've been checking grounds, wiring condition, etc...
Any ideas?
When I start it, it shuts-off after about 5-10 seconds; it'* not a stall, the engine cuts off like I turned the key off. I can restart it immediately, and it does the same thing. Eventually, after anywhere from 5-20 attempts, it will start and stay running.
At the same time, it started throwing a P0102 code, 'MAF Sensor Low Input'. I have an ELM327 OBDII interface, and software, that I use to monitor the sensors, and the MAF will work at times, but most of the time it just shows 2.11 g/*. If I unplug the MAF, it of course shows 0.00 g/*. I replaced the MAF, with no changes in behaviour. Even if I leave the MAF unplugged, I have the same experience trying to start it; so I am not sure the problems are associated. I am leaning towards some other problem that makes the MAF appear to be failing.
Once the vehicle starts, and warms up - it starts just fine. So far this seems to be associated with the fuel system going from open loop to closed loop; but I only have anecdotal evidence of this - nothing concrete, since monitoring the sensor values is sketchy at best - reading the values of any given sensor every 3-5 seconds leaves alot to the imagination.
When cruising along, it chugs here and there, and I'm pretty sure I've been able to associate that with the MAF kicking in and out.
I've been checking grounds, wiring condition, etc...
Any ideas?
Joined: May 2006
Posts: 29,661
Likes: 43
From: Sheboygan Wisconsin






Have you tested your fuel pressure? It'* possible your running low and starving the engine of fuel.
Because you have the same problem with the MAF unplugged, it'* very likely the MAF is not the problem.
Have you checked for large vacuum leaks? having unmetered air entering the system can confuse the PCM because the engine is getting far more air then it expects.
Because you have the same problem with the MAF unplugged, it'* very likely the MAF is not the problem.
Have you checked for large vacuum leaks? having unmetered air entering the system can confuse the PCM because the engine is getting far more air then it expects.
Thread Starter
Junior Member
Posts like a Ricer Type-R
Joined: May 2010
Posts: 13
Likes: 0
From: Richmond, VA

Yeah, the fuel pressure is good. I don't remember the exact psi, but that was one of the first things I checked months ago - no change in pressure when it cuts-out.
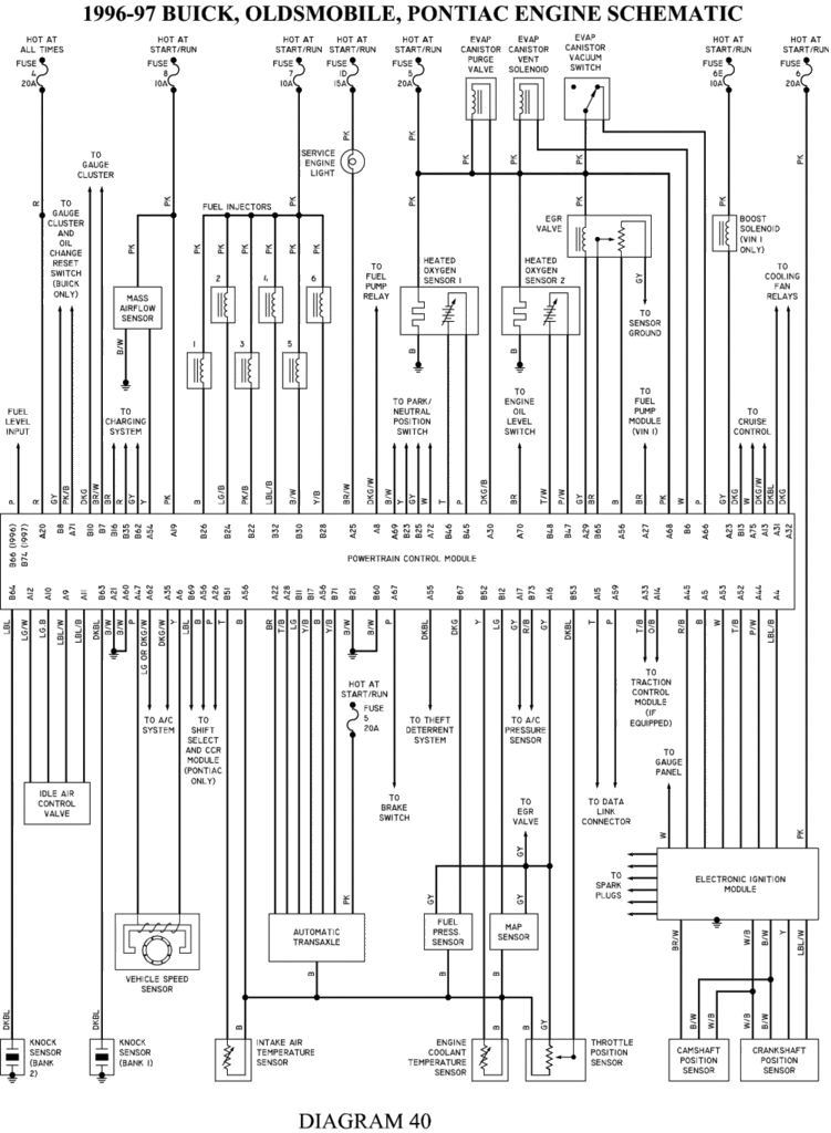
As far as vacuum leaks - I have replaced a few of the hose connectors that looked suspicious, but I haven't found any obvious leaks. The only thing I would mention here is that the boost solenoid (I think that'* what it is) looks like it should have two hoses on it, but it only has one (going to the boost bypass actuator). In another post, I was told that was the only one that was supposed to be there.
As far as vacuum leaks - I have replaced a few of the hose connectors that looked suspicious, but I haven't found any obvious leaks. The only thing I would mention here is that the boost solenoid (I think that'* what it is) looks like it should have two hoses on it, but it only has one (going to the boost bypass actuator). In another post, I was told that was the only one that was supposed to be there.
Joined: May 2006
Posts: 29,661
Likes: 43
From: Sheboygan Wisconsin






That other fitting is only a vent.
If the fuel pressure is not changing then the problem is electrical. Having the engine cut out like that would lead me to the crank position sensor.
If the fuel pressure is not changing then the problem is electrical. Having the engine cut out like that would lead me to the crank position sensor.
Thread Starter
Junior Member
Posts like a Ricer Type-R
Joined: May 2010
Posts: 13
Likes: 0
From: Richmond, VA

So, would a failing crank position sensor (or circuit) exhibit the erratic starting problems? I guess it would certainly cause the chugging. Could it make it look like the MAF is having issues?
Sorry for all the questions...but I've never been one to just replace parts until a problem goes away. Replacing the MAF hurt, especially when it didn't fix the problem.
Sorry for all the questions...but I've never been one to just replace parts until a problem goes away. Replacing the MAF hurt, especially when it didn't fix the problem.
Joined: May 2006
Posts: 29,661
Likes: 43
From: Sheboygan Wisconsin






A CPS is cheaper then a MAF, but it'* better to test it. The main things that will cause the ignition system to cut out are the crank sensor, cam sensor, short in wire harness. So I would start checking those areas.
Let'* not forget how a failing maf sensor can cause a car not to start. The code leads us to the maf, not CKPS. Check things like power, ground, etc etc these are things that have to do with the maf. If your engine can't see air, then it can determines you don't need fuel to be injected. A bad maf/wiring to the maf etc can cause what you are experiencing.
Unplugging the maf should let you start and run the car with some needed throttle for a minute or so. Letting the pcm learn that it'* running off the tables. If your car will and does run with a little work when the maf it unplugged then I'd aim toward it being a bad maf.
Unplugging the maf should let you start and run the car with some needed throttle for a minute or so. Letting the pcm learn that it'* running off the tables. If your car will and does run with a little work when the maf it unplugged then I'd aim toward it being a bad maf.
Joined: May 2006
Posts: 29,661
Likes: 43
From: Sheboygan Wisconsin






In his first post he stated he swapped MAFs and even left it unplugged. However, looking back he also says the readings are not changing. Might want to look over the wires and make sure you don't have a loose connection.
Thread Starter
Junior Member
Posts like a Ricer Type-R
Joined: May 2010
Posts: 13
Likes: 0
From: Richmond, VA

Okay, I know it'* been a while; but, I'm back...still with the same problem.
The MAF is no longer an issue...found a HUGE vacuum leak! But now the starting problem is persistent; I haven't been able to get the car to stay started for about three weeks now. When the car runs...it runs like a top: great response, 24-25 mpg consistently, and smooooth! Basically a pleasure to drive (as opposed to my backup - a 98 K1500 that struggles to get 17mpg). I'm now back to the security system; even though I'm not getting the flashing security light. It appears that rarely, but often enough to mention, the TDM (theft deterrent module) does not put out the 'Fuel Enable' signal - which shuts down the injectors right after the car starts. I've built the bypass circuit described on newrockies.com; but I can't find the TDM module to install it! Does anybody here know where it might be? It is a '96 Bonneville SSEi.
Thanks for any direction...
The MAF is no longer an issue...found a HUGE vacuum leak! But now the starting problem is persistent; I haven't been able to get the car to stay started for about three weeks now. When the car runs...it runs like a top: great response, 24-25 mpg consistently, and smooooth! Basically a pleasure to drive (as opposed to my backup - a 98 K1500 that struggles to get 17mpg). I'm now back to the security system; even though I'm not getting the flashing security light. It appears that rarely, but often enough to mention, the TDM (theft deterrent module) does not put out the 'Fuel Enable' signal - which shuts down the injectors right after the car starts. I've built the bypass circuit described on newrockies.com; but I can't find the TDM module to install it! Does anybody here know where it might be? It is a '96 Bonneville SSEi.
Thanks for any direction...
if you can find *** in the pcm harness that should bypass the tdm wiring completely.
or; found this pass side:http://newrockies.com/installation-i...ac-bonneville/
or; found this pass side:http://newrockies.com/installation-i...ac-bonneville/




