94 olds cutlass s, over heating and temp sensor
Hello again , I have a 94 olds cutlass supreme with the 3.1 motor. It has 150,000 miles on the car. My problem is the car overheats when its warm out . the temp is great at highway speeds but any kind of city driving it will start climbing till I have to run the heater at full speed to keep it down. Also I wanted to replace the temp sending unit . How is it removed from the car? Where is it located ? I've looked and am not sure where it is. I thought it may be the ceramic piece on radiator near water intake. Any ideas about what I should look at to get a handle on the overheating problem would be great. Thanks in advance for any help anyone can offer, With this forum I would be dead in the water. gary r
I would see how much heat the radiator is removing. I use an infrared thermometer to read the temp going into the radiator and what it is coming out. I wouldn't worry about your sending unit. It will not cause nor fix overheating problems. I would make sure the thermostat is good and you are full of coolant. Start there.
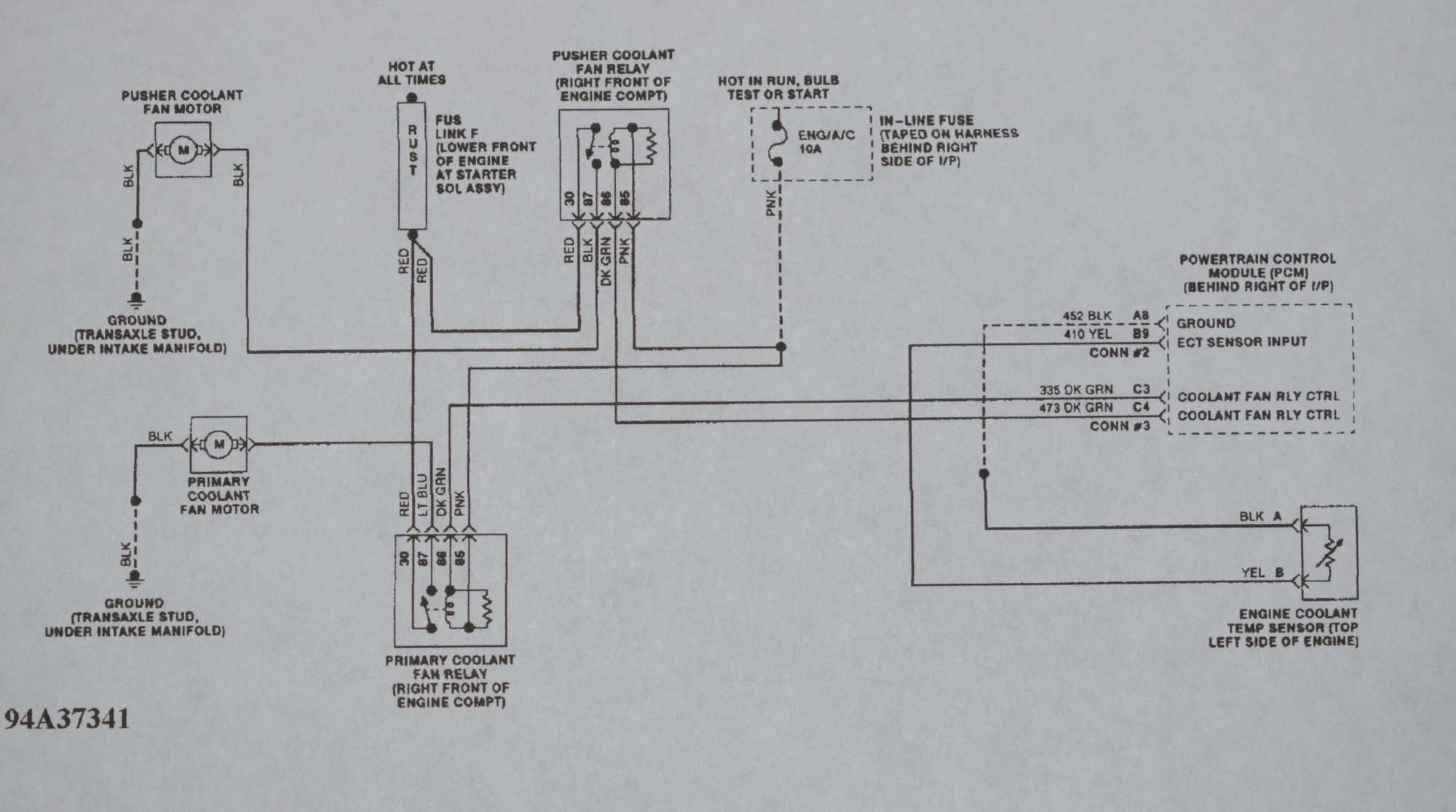
Thank you for the quick reply. I have been checking the coolant every time I drive right now. It'* been staying good no dip in the level that I notice. Thank'* for the diagram of my car. That will a great guide for me. I will let you know how things go. Also is it hard to change the thermostat on this car? thanks again. gary r
I'm checking to see what I can find. The fan on driver side seems to come on when air is on high. Haven't had the passenger side fan come on yet that I know of. .Even with air on max cooling .Do you have a test that I can do at home that might give me a idea of the fan is no good or a relay may be the problem.
. Today I removed the relays and cleaned the contacts. I made sure I was very careful and checked the fuses were all good. Thanks for sending me this info. I will check the temp with my laser temp meter. Where is the best place for me to get some temps from. I was thinking of hoses and radiator core and overflow also. Thanks again , gary r
. Today I removed the relays and cleaned the contacts. I made sure I was very careful and checked the fuses were all good. Thanks for sending me this info. I will check the temp with my laser temp meter. Where is the best place for me to get some temps from. I was thinking of hoses and radiator core and overflow also. Thanks again , gary r
The fan on driver side seems to come on when air is on high. Haven't had the passenger side fan come on yet that I know of. .Even with air on max cooling .Do you have a test that I can do at home that might give me a idea of the fan is no good or a relay may be the problem.
The overflow won't tell you much. Get the temperature from the upper and lower radiator hoses. My opinion: If my fan test (above) shows fan problems etc. then checking radiator inlet/outlet temperature will tell you something you already know (that the fans aren't removing heat from the radiator). If the fans are working properly, checking radiator inlet/outlet temperatures will tell you how plugged up the radiator is and/or how stuck the thermostat is.
Thank'* again , you are helping me very much. I drove it this morning and in traffic it heated up after about 20 min driving. The heater blows very hot with plenty of force. I use it to control the engine heat. My gauge is arranged with a mark at what im guessing is about 180 then at 200 with a large space to the 280 mark. I try to keep the temp below 200. Would it be normal that the car would operate above the 200 mark without being to hot? When I first got it the temp never got to 200. I have changed the water pump a couple weeks back. It is working good I believe. I hate asking all these questions but it has helped me greatly, thank you for taking time out of your day to respond. gary r
What carfixer007 said ^^^^^^^
I'd call this "normal" . These gauges aren't horribly accurate compared to actual temperature and/or to other gauges in the same year/make/model of car. They are accurate as a reference to "normal" on the same vehicle. If it used to not ever exceed 200 on the gauge, that'* probably because everything was working properly. When you fix the problem, I bet it will go right back to less-than-200 again.
I'd call this "normal" . These gauges aren't horribly accurate compared to actual temperature and/or to other gauges in the same year/make/model of car. They are accurate as a reference to "normal" on the same vehicle. If it used to not ever exceed 200 on the gauge, that'* probably because everything was working properly. When you fix the problem, I bet it will go right back to less-than-200 again.









