Problem w/ Pwr locks
Thread Starter
Junior Member
Posts like a Ricer Type-R
Joined: Jul 2004
Posts: 19
Likes: 0
From: NYC

It seems my power locks are not working. MY first solution was to try the fuses. Long story short, the door lock fuse is not blown. I dont know where to look now. IS there another fuse that also powers the door locks? Or is there a problem with the door lock button? Anyone have any suggestions? Thanks in advance!
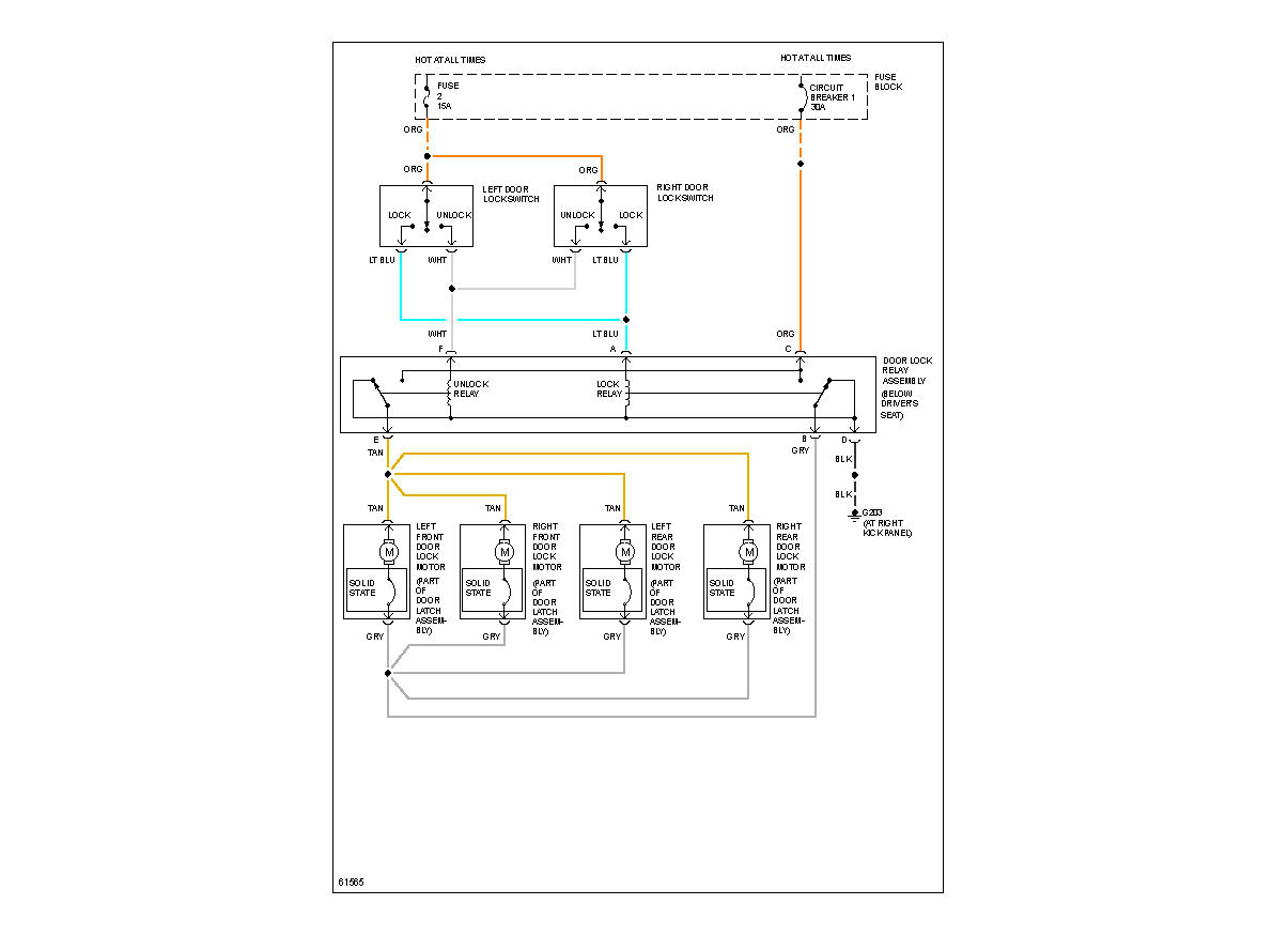
The master switch could cause them all not to work. Follow the diagram and see if you have power and ground where you should...and if it travels from the master to the relays etc. You'll find it...
Thread
Thread Starter
Forum
Replies
Last Post
2000BonnieSSEI
Everything Electrical & Electronic
19
Jan 2, 2010 12:08 AM
mitzib
Everything Electrical & Electronic
11
Nov 3, 2006 12:34 PM
gene254
1987-1991
3
Jul 7, 2004 08:42 AM






