Newby needs help !!! Rear door locks/windows/alarms
Hi everyone. New to this club. This is my first posting but have been reading eagerly for the last couple of weeks. Bought a 2000 SLE with 85K ( 138K kms ) miles about a month ago. Love the car. ( Had an '89 LE for about 6 years. Hated to part with it but the only thing still working reliably was the motor and tranny. Almost 400K kms on it ) However, the 2000 has the following problems. Rear windows only work intermittently. Seem to work fine after car has been running a bit and warmed up. Rear door locks wont hardly work at all from either the key or the internal switches and, I get frequent alarms from the DIC saying my back doors are open when they are obviously not. I read about the procedure to remove the carpet trim and check the bussed ground connectors underneath, which i did this weekend, but my 2000 seems to have ground connectors mounted about 6 " off the floor with about 6 or 8 black wires leading to them from the main loom. They looked fine. Does anyone know of any other bussed ground connections that may service the rear doors on this model ???? Please help as its the only problem that spoils this otherwise excellent car so far. Also, if anyone knows of any tech resources for this vehicle in the Toronto area, would love to hear from you.
Thanks in anticipation...
Thanks in anticipation...
That'* going to take some time to research. In the meantime...does all of this happen at the same time (windows, locks, door warning), or are they separate events? If one clears up, do they all? Will the door alarm go off while sitting still, or only while moving? Do none of the window switches work when the problem shows up, or is it just using the driver'* door switch? Can you hear a slight click from the door when you try it? Is the alarm for both rear doors, or only one? I know that it sounds like a lot of questions, but we need more details to try and track down the problem.
Also, pull the rear seat and clean up where the grounding strap for the battery connects to the floor pan. Clean the bolt, the threads in the floor pan, and the cabling. Then put some dielectric grease on it before bolting it back together.
Also, pull the rear seat and clean up where the grounding strap for the battery connects to the floor pan. Clean the bolt, the threads in the floor pan, and the cabling. Then put some dielectric grease on it before bolting it back together.
Thanks for the prompt reply Archon. The events seem to be seperate. The door alarms only seem to go off while the car'* moving and usually after its been running for at least 5 or ten mins. The alarms go for about 5 -10 mins , then shut up for a while, then come back on again. During all this, the alarm fluctuates between the right and left door. Sometimes the DIC is showing open doors but no chime/alarm. When the windows dont work, none of the switches work. When they are working, both work no problem off all the switches. I've checked them. Passenger side has come down by itself a couple of times too. I'll point out at this point that once they start working, they generally stay working until i park the car. Oh, and no clicks from the door when they are not working.
Doors will not lock/unlock with key fob or internal switches. Work fine manually.
I'll try your suggestion to clean the battery strap termination this weekend and let you know if that helps. Um, how does the back seat come out ? Lastly, any idea how to silence that damn chime until i get this resolved.. i almost rear ended my missus'* car in the driveway last night while trying to fiddle with the reset button on the DIC... ( didnt work ) Thanks again.
Doors will not lock/unlock with key fob or internal switches. Work fine manually.
I'll try your suggestion to clean the battery strap termination this weekend and let you know if that helps. Um, how does the back seat come out ? Lastly, any idea how to silence that damn chime until i get this resolved.. i almost rear ended my missus'* car in the driveway last night while trying to fiddle with the reset button on the DIC... ( didnt work ) Thanks again.
Well - those symptoms won't make it any easier!
To remove the back seat, just reach under the front middle portion and give it a good tug upward. Some have found it easier to push back just a bit while doing it. The complex systems of our cars make it necessary to have a reliable steady power source, where any minor fluctuations can cause all sorts of strange gremlins to appear.
While you're back there, check and clean all of the connections that you find. The battery terminals, being protected aren't quite as prone to corrosion, but check those too. Then, the positive cable leading from the battery to the rear fuse box. Pull the cover off the box, and you'll see three small bolts that hold the fuse box down, but also serves as a ground. Make certain that those are snug. Then, go under the hood, and do the same to the connection and fuse box up there. Meanwhile, we'll be pouring over schematics and grounding points to see if there is something common to all of those systems.
The audible alarm comes through the radio speakers. If you don't mind losing that, you could try pulling the fuse.
To remove the back seat, just reach under the front middle portion and give it a good tug upward. Some have found it easier to push back just a bit while doing it. The complex systems of our cars make it necessary to have a reliable steady power source, where any minor fluctuations can cause all sorts of strange gremlins to appear.
While you're back there, check and clean all of the connections that you find. The battery terminals, being protected aren't quite as prone to corrosion, but check those too. Then, the positive cable leading from the battery to the rear fuse box. Pull the cover off the box, and you'll see three small bolts that hold the fuse box down, but also serves as a ground. Make certain that those are snug. Then, go under the hood, and do the same to the connection and fuse box up there. Meanwhile, we'll be pouring over schematics and grounding points to see if there is something common to all of those systems.
The audible alarm comes through the radio speakers. If you don't mind losing that, you could try pulling the fuse.
Ok. Pulled the back seat on the weekend and cleaned all the connections and snugged up the nuts that mount the fuse box. I have to say that everything looked very good under the back seat. Almost no sign of corrosion at all except for the bottom braces for the upright portion of the back seat but the electrical stuff all looked really good. The soundproofing was a little damp in places back there but not an excessive amount of water. Checked in the spare wheel well too. Bone dry. However, back door open warning chime still dingin' away at me this morning. Takes about 20 minutes after i leave the driveway before it starts up but from then on, its going off every 30 seconds or so. If i could only find a way to silence that chime ( you were right , it comes thru the door speakers. ) i'd be real happy.
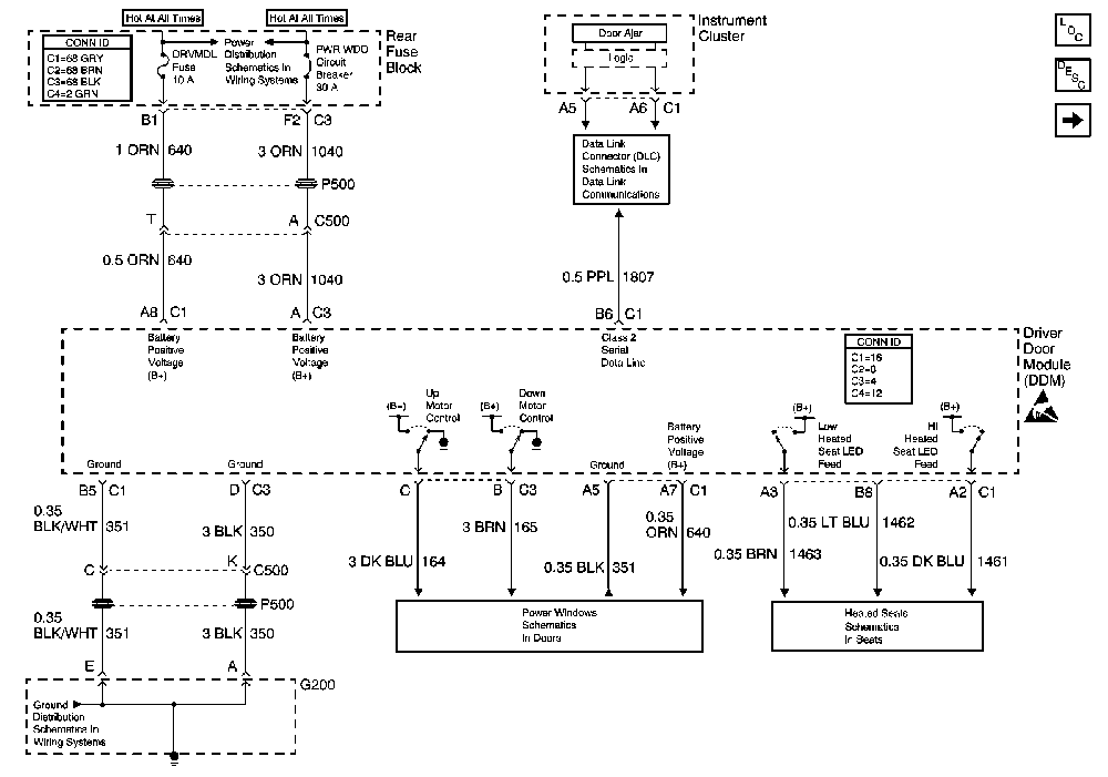
Actually, that'* kinda the problem Bill. It'* handled via the serial bus interface, as well as the simple bus interface. As it'* more than one rear door, it doesn't appear to be just the door module. By the way it looks, the door modules then run through the drivers door module via the simple bus interface - this is the description of that -
Then that information is also forwarded to the Instrument Panel Control Module. Trying to track down all the schematics now.
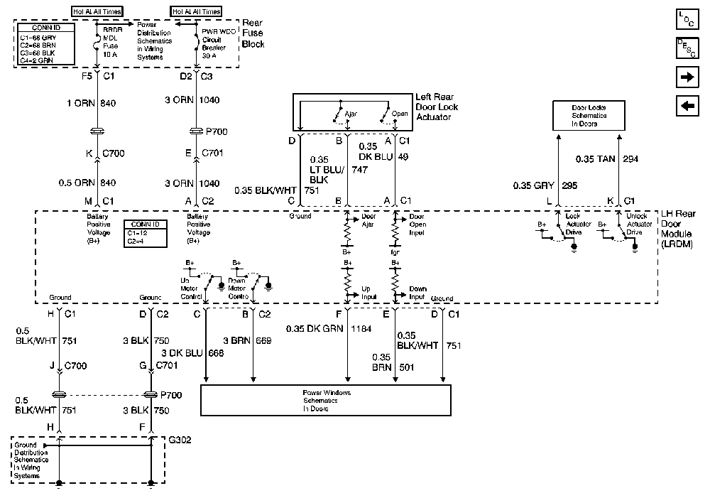
Edit - OK, some schematics. This is for the left rear door module - the right is similar. Pictures are larger than I'd like, but had to be in order to see them well enough.

Driver'* Door Module

Simple Bus Interface.

I'd lean toward the driver'* door module, or wiring at this point, but that'* not a definate diagnosis. The instrument cluster appears to have separate logic (I'd guess just on/off toggles) for it that could also enter into the equation.
Simple Bus Interface (SBI) Serial Data Line
SBI does not communicate with the scan tool via the DLC. SBI information is interpreted by the driver door module (DDM) and transmitted on the Class 2 data link by the DDM.
The simple bus interface (SBI) is used for serial data communication between the four door modules as well as the driver door switch assembly (DDSA) .
SBI does not communicate with the scan tool via the DLC. SBI information is interpreted by the driver door module (DDM) and transmitted on the Class 2 data link by the DDM.
The simple bus interface (SBI) is used for serial data communication between the four door modules as well as the driver door switch assembly (DDSA) .
Edit - OK, some schematics. This is for the left rear door module - the right is similar. Pictures are larger than I'd like, but had to be in order to see them well enough.

Driver'* Door Module

Simple Bus Interface.

I'd lean toward the driver'* door module, or wiring at this point, but that'* not a definate diagnosis. The instrument cluster appears to have separate logic (I'd guess just on/off toggles) for it that could also enter into the equation.
Senior Member
True Car Nut
Joined: Oct 2002
Posts: 2,703
Likes: 0
From: Groton, CT _NEBF 05, 06, 07_

I know this is going to sound crazy, but as a temporary measure, I would recommend removing fuse #18 RRDR MDL located rear fuse block. This should shut up the door ajar chimes etc. Doing this will also provide us with a little information in troubleshooting. It will also disable pwr door lock & pwr window operation in the rear doors.
Doesnt sound crazy to me at all Mark. Will pull the fuse tonight. Anything to stop that damn ding ding ding every 20 secs. However, can i ask, how does that help you to diagnose the problem ? The alarm seems to start about 20 mins into my trip, which is when i usually hit the rush hour traffic.. wonder if increased load on electrical system due to stop/go traffic has an effect ? Archon had asked me earlier in this thread if i heard any clicks from the door while all this was going on. Last night, drove home without the stereo on as i had a passeneger, heard numerous clicks coming from the passenger door primarily, just before the warning chime went off. Nothing from the driver side door though. Also, rear passenger window keeps shooting down about an inch, then stops.. wierd.. Think i have Christine'* little sister here... the hair on the back of my neck keeps getting longer... Let me know what you need me to do next guys and thanks for all the help so far.





