Cadillac When starting new posts, please specify YEAR, MAKE, MODEL, ENGINE type, and whatever modifications you have made.

2012 Cadillac SRX BPP sensor

Thread Tools
 
Search this Thread
 
Old Jan 4, 2026 | 06:03 PM
  #1  
JAPC0703's Avatar
Thread Starter
Junior Member
 
Joined: Jan 2026
Posts: 7
Likes: 7
JAPC0703 is on a distinguished road
Default 2012 Cadillac SRX BPP sensor

Hello,

I was gifted a 2012 SRX with the dreaded P057C DTC. A new BPP sensor was in the glovebox but that didn’t fix it.

I have no symptoms, cruise control works, brake lights work, etc.

My scan tool will read the correct voltage for the BPP while looking at the BCM but not the ECM. While monitoring the ECM it will show the BPP active/inactive. This leads me to believe the issue is between ECM and the BPP.

I did read 700ohms of resistance from the BPP connector to the ECM connector. I can’t find a schematic showing the BPP so I don’t know if the return voltage travels through the BCM first.

I’m not certain I have correct wiring diagram.


The learned value for the ECM is bit over 1V. According to a TSB the ECM should relearn the brake released value, if the value recorded by the ECM is 0V, why hasn’t the learned value dropped?

Any help would be greatly appreciated.


Reply
Old Jan 4, 2026 | 07:20 PM
  #2  
CathedralCub's Avatar
Senior Member


True Car Nut
 
Joined: Feb 2015
Posts: 6,849
Likes: 1,014
From: Earth
CathedralCub is a splendid one to beholdCathedralCub is a splendid one to beholdCathedralCub is a splendid one to beholdCathedralCub is a splendid one to beholdCathedralCub is a splendid one to beholdCathedralCub is a splendid one to beholdCathedralCub is a splendid one to behold
Default

What is the "correct voltage for the BPP"?

Which readings (above) were done with a volt meter?

Has this car been through any trauma like accidents, flooding, major repairs?

How many miles on the car?

How many miles on it?

Do the brake lights go on and off in relation to the brake pedal being pressed?
Reply
Old Jan 4, 2026 | 08:44 PM
  #3  
JAPC0703's Avatar
Thread Starter
Junior Member
 
Joined: Jan 2026
Posts: 7
Likes: 7
JAPC0703 is on a distinguished road
Default

Originally Posted by CathedralCub
What is the "correct voltage for the BPP"?

Which readings (above) were done with a volt meter?

Has this car been through any trauma like accidents, flooding, major repairs?

How many miles on the car?

How many miles on it?

Do the brake lights go on and off in relation to the brake pedal being pressed?
The car does have a rebuilt title, looks to have been a front end impact judging by the evidence of repair.

161k miles

Brake lights work correctly as does cruise control.

The readings I’m getting are from the scan tool.

ECM BPP shows 0.00v with a learned value of 1.65v. BPP percent does not change nor does voltage. BPP circuit signal shows released then pressed when pressing brake pedal.

BCM BPP shows 0.01v with a learned value of 0.95v. Shows 1.58v pressed. 0% at rest 38% pressed.

I tested for continuity from the BPP connector to what I think is the signal pin on X1 at the ECM, pin 57 circuit 6311. Had 700ohms. I am suspecting I might have the pins wrong from another source I found.






Reply
Old Jan 4, 2026 | 09:18 PM
  #4  
JAPC0703's Avatar
Thread Starter
Junior Member
 
Joined: Jan 2026
Posts: 7
Likes: 7
JAPC0703 is on a distinguished road
Default

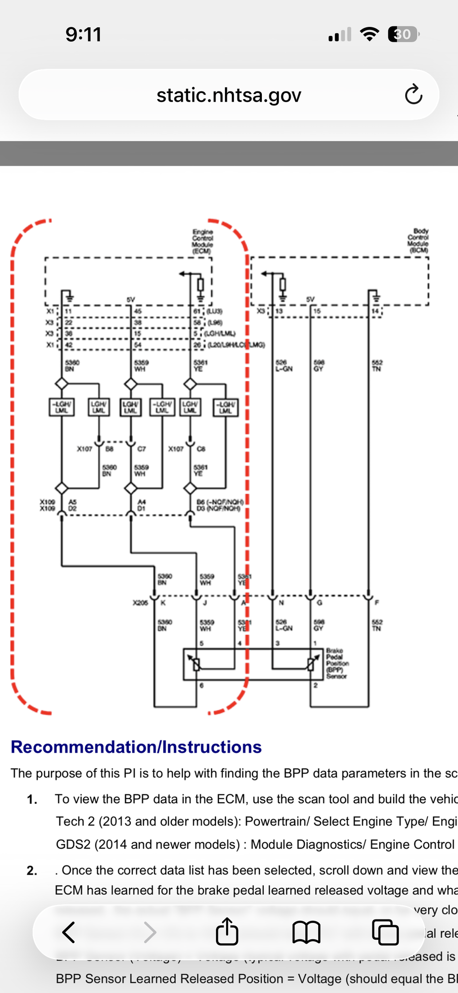
Some more information. If this pinout and diagram are correct. I am not getting 5v from the BCM but am getting 5v from the ECM which seems sort of backwards.

Pin 1 is reading 0v while pin 5 is reading 5 volts.




Reply
Old Jan 4, 2026 | 11:44 PM
  #5  
CathedralCub's Avatar
Senior Member


True Car Nut
 
Joined: Feb 2015
Posts: 6,849
Likes: 1,014
From: Earth
CathedralCub is a splendid one to beholdCathedralCub is a splendid one to beholdCathedralCub is a splendid one to beholdCathedralCub is a splendid one to beholdCathedralCub is a splendid one to beholdCathedralCub is a splendid one to beholdCathedralCub is a splendid one to behold
Default

Was the BPP sensor in the glove box a new-in-box unit?
Reply
Old Jan 5, 2026 | 06:53 AM
  #6  
JAPC0703's Avatar
Thread Starter
Junior Member
 
Joined: Jan 2026
Posts: 7
Likes: 7
JAPC0703 is on a distinguished road
Default

Originally Posted by CathedralCub
Was the BPP sensor in the glove box a new-in-box unit?
It was in a clear bag, does not look OEM. It'* possible it is not correct or is bad. It behaves the same as the original sensor.

Should I be receiving 5v on pin 1? Is that pinout for the connector correct?
Reply
Old Jan 5, 2026 | 11:01 PM
  #7  
CathedralCub's Avatar
Senior Member


True Car Nut
 
Joined: Feb 2015
Posts: 6,849
Likes: 1,014
From: Earth
CathedralCub is a splendid one to beholdCathedralCub is a splendid one to beholdCathedralCub is a splendid one to beholdCathedralCub is a splendid one to beholdCathedralCub is a splendid one to beholdCathedralCub is a splendid one to beholdCathedralCub is a splendid one to behold
Default

If it is in charm.li for the same year/make/model then it'* probably accurate.

Maybe pick up a new one and try it?
Reply
Old Jan 8, 2026 | 08:45 AM
  #8  
JAPC0703's Avatar
Thread Starter
Junior Member
 
Joined: Jan 2026
Posts: 7
Likes: 7
JAPC0703 is on a distinguished road
Default

I got the 3-day GM service manual and found some discrepancies with charm.li.
  1. The X1 pinout on charm isn't correct. The only brake pedal related signal that is called is "Brake Pedal Switch Signal" on pin 57, circuit 6311. According to the GM manual X1 has pin 48 as "Brake Pedal Position Sensor Signal", circuit 5066. There is also a Brake Pedal Switch on pin 57 (I do not know what this is referring to). Charm has 47-50 as not used.
  2. The pinout for the Brake Pedal Position Sensor on Charm shows only a 3-pin connector, the connector has 6 pins. The closest I had found on Charm was the BPP from a 2012 Camaro. The GM manual has the correct connector.
I will do more troubleshooting tonight or tomorrow. I have a brand-new OEM sensor coming today.
Reply
Old Jan 8, 2026 | 11:42 PM
  #9  
CathedralCub's Avatar
Senior Member


True Car Nut
 
Joined: Feb 2015
Posts: 6,849
Likes: 1,014
From: Earth
CathedralCub is a splendid one to beholdCathedralCub is a splendid one to beholdCathedralCub is a splendid one to beholdCathedralCub is a splendid one to beholdCathedralCub is a splendid one to beholdCathedralCub is a splendid one to beholdCathedralCub is a splendid one to behold
Default

Cool! Thanks for the update!
Reply
Old Jan 9, 2026 | 03:59 PM
  #10  
JAPC0703's Avatar
Thread Starter
Junior Member
 
Joined: Jan 2026
Posts: 7
Likes: 7
JAPC0703 is on a distinguished road
Default

Success!!

I followed the DTC P057C diagnosis procedure and found no continuity on circuit 2709 between Pin 6 on the BPP and Pin 47 on X1 on the ECM. Circuit 2709 is the 5V.

The BPP has four connectors in the signal flow, B22, X202, X106, and X1. I tested continuity at each connector and found a broken wire at X106 to be the problem (see image). X106 is a 12-pin connector in which they are only using the three wires for the BPP to ECM and is located between the fuse box and the headlight, must remove the fuse box or headlight to gain access. Since the connector is only used for the BPP I chose to splice the three wires together.


Reply



All times are GMT -4. The time now is 03:06 PM.