Anti Theft Security lockup on '95 Bonneville
Really weird problem has popped up! For no reason that can be found the car will go into lock-down when we try to start. The only thing that remains functional is the radio. For a while it would make us wait 3min and now it has jumped to over 5min.
I disconnect/connect the negative battery cable for a few minutes and that allows us to start the engine.
Anybody know how to disconnect the anti theft system?
Thanks
I disconnect/connect the negative battery cable for a few minutes and that allows us to start the engine.
Anybody know how to disconnect the anti theft system?
Thanks
what things did you check? try using different key? see if the resistance value of the key is being read?
what exactly is it doing? disconnecting the anti theft is not an easy thing, involves reprogramming the pcm, or simulating the signal from the security module and bypassing the starter enable circuit if it has one
what exactly is it doing? disconnecting the anti theft is not an easy thing, involves reprogramming the pcm, or simulating the signal from the security module and bypassing the starter enable circuit if it has one
Thanks Justin,
how do I check to see if the resistance value of the key is being read?
I had a key made at ACE hardware for my wife (several months of use went by before the first happening); the car has not locked up when using my key. I have substituted my key for hers, after the fact, and it didn't unlock the system.
From what I have read there are factors other than the key being the culprit. The owners manual references what is happening:
"Universal Theft Deterrent( Option)
If your Pontiac has this option, it has a theft deterrent
alarm system. With this system, the SECURITY light
will flash as you open the door (if your ignition is off).
This light reminds you to activate the theft deterrent
system when leaving your vehicle.
Activating the system:
1. Open the door.
2. Lock the door with the power door lock switch or
Remote Keyless Entry transmitter. The SECURITY
light should come on and stay on.
3. Close all doors. The SECURITY light should go off
after about 30 seconds and the system will then be
armed.
how do I check to see if the resistance value of the key is being read?
I had a key made at ACE hardware for my wife (several months of use went by before the first happening); the car has not locked up when using my key. I have substituted my key for hers, after the fact, and it didn't unlock the system.
From what I have read there are factors other than the key being the culprit. The owners manual references what is happening:
"Universal Theft Deterrent( Option)
If your Pontiac has this option, it has a theft deterrent
alarm system. With this system, the SECURITY light
will flash as you open the door (if your ignition is off).
This light reminds you to activate the theft deterrent
system when leaving your vehicle.
Activating the system:
1. Open the door.
2. Lock the door with the power door lock switch or
Remote Keyless Entry transmitter. The SECURITY
light should come on and stay on.
3. Close all doors. The SECURITY light should go off
after about 30 seconds and the system will then be
armed.
If the SECURITY light comes on for one minute and
then shuts off while the ignition is on, the security
system has detected a problem with itself. See your
dealer for service.
If a door or the trunk is opened without the key or
Remote Keyless Entry transmitter, the alarm will go off.
It will also go off if the trunk lock is damaged. Your
vehicle’* lamps will flash and the horn will sound for
three minutes, then will go off to save battery power.
Remember, the theft deterrent system won’t activate if
you lock the doors with a key or manual door lock. It
activates only if you use a power door lock switch or
Remote Keyless Entry transmitter.
Avoid setting off the alarm by accident.
If you don’t want to activate the theft deterrent system,
the vehicle should be locked after the doors are closed.
Always unlock a door with a key, or use the Remote
Keyless Entry System transmitter.
Unlocking a door in another way will set off the alarm.
then shuts off while the ignition is on, the security
system has detected a problem with itself. See your
dealer for service.
If a door or the trunk is opened without the key or
Remote Keyless Entry transmitter, the alarm will go off.
It will also go off if the trunk lock is damaged. Your
vehicle’* lamps will flash and the horn will sound for
three minutes, then will go off to save battery power.
Remember, the theft deterrent system won’t activate if
you lock the doors with a key or manual door lock. It
activates only if you use a power door lock switch or
Remote Keyless Entry transmitter.
Avoid setting off the alarm by accident.
If you don’t want to activate the theft deterrent system,
the vehicle should be locked after the doors are closed.
Always unlock a door with a key, or use the Remote
Keyless Entry System transmitter.
Unlocking a door in another way will set off the alarm.
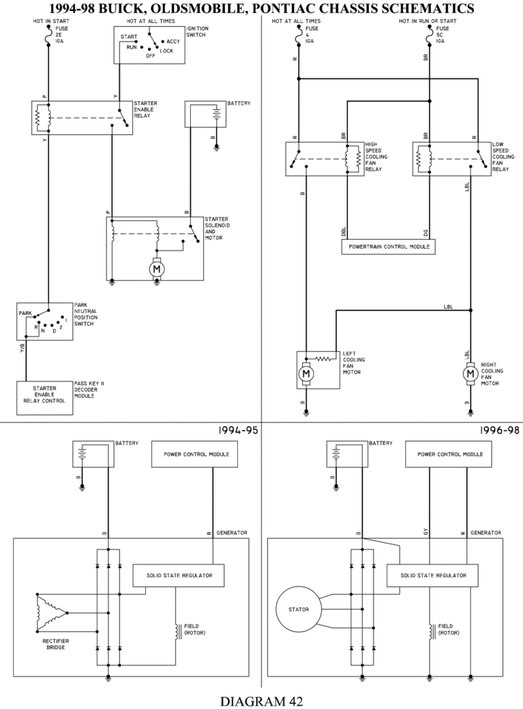
"car" security is not going to shut the car down or make it not start. the vats its called measures the resistance in the key, then if its in spec sends a fuel enable and start enable to the start relay.
the tdm(theft deterrent module) i think is way up in the dash on that car i think, i think i would find the start enable relay and see if its getting the ground on the one purple. got to watch out though they have two yellows and two purples, seems they were trying to make it difficult.
the tdm(theft deterrent module) i think is way up in the dash on that car i think, i think i would find the start enable relay and see if its getting the ground on the one purple. got to watch out though they have two yellows and two purples, seems they were trying to make it difficult.
assuming I can find the relay when do I test it for ground: when the car is in lockdown? And by 'ground' you mean that there is no voltage? or resistance is zero?
By the way, is $288.02 a good price for a Actron cp190 Elite auto-scanner? There is one on Amazon and a guy claims that he used it to read a 1995 Bonni. A lot of money, but perhaps for the long game a smart move.
By the way, is $288.02 a good price for a Actron cp190 Elite auto-scanner? There is one on Amazon and a guy claims that he used it to read a 1995 Bonni. A lot of money, but perhaps for the long game a smart move.
Only thing that can diagnose the VATS and Anti-theft system is GM'* Tech2 scanner/programmer.
We do have a How-To on bypassing the VATS permanently.
https://www.gmforum.com/electrical-1...2-99-a-279119/
We do have a How-To on bypassing the VATS permanently.
https://www.gmforum.com/electrical-1...2-99-a-279119/
that is just a thing about replacing the ign part with a resistor. there is still the tdm and start relay to bypass the system. the reality is if that doesnt work you can bypass the tdm with one of those $30 50hz simulators and rewiring the start enable relay. i would never pay the dealer to mess with it or get one of those expensive scanners
acer, if you look at that diagram the left side of the relay is the control side, and with the key in run you should get 12v when you measure purple to yellow. on the right that yellow you can measure with your black lead on ground it will have 12v in the start position
acer, if you look at that diagram the left side of the relay is the control side, and with the key in run you should get 12v when you measure purple to yellow. on the right that yellow you can measure with your black lead on ground it will have 12v in the start position
The reason I asked about the Actron cp190 Elite auto-scanner is because I can't find anyone here that can read the codes and I need to find out why my fuel mileage is low and why trans is sluggish in 3rd at start.
Thanks for the VATS article!
The first thing out of the box in the 'bypass the VATS' is that both of our keys measure zero ohms??!! I have a Micronta true rms multimeter and an old military analog multimeter, both read zero ohms.
Thanks for the VATS article!
The first thing out of the box in the 'bypass the VATS' is that both of our keys measure zero ohms??!! I have a Micronta true rms multimeter and an old military analog multimeter, both read zero ohms.




