2000-2005 Discuss your 2000-2005 Bonneville SE, SLE, and SSEi Please use General Chat for non-mechanical issues, and Performance and Brainstorming for improvements.

Blower Motor Problem

Thread Tools
 
Search this Thread
 
Old Dec 22, 2008 | 04:15 PM
  #1  
Akomack's Avatar
Thread Starter
Junior Member
 
Joined: Jun 2008
Posts: 4
Likes: 0
Akomack is on a distinguished road
Default Blower Motor Problem

First off, I've tried searching, with no results... I have an 03 bonnie and my blower motor starts fine when the car is cold. but if the cars warm it wont start at all.. until i smack the cowling under the glove box... Not sure if ice got into it or something.. any thoughts would be appreciated... id like to try to fix it before i throw a new blower motor at it.
Reply
Old Dec 22, 2008 | 05:49 PM
  #2  
Danthurs's Avatar
Retired Senior Admin

Expert Gearhead
 
Joined: May 2006
Posts: 29,661
Likes: 40
From: Sheboygan Wisconsin
Danthurs is a name known to allDanthurs is a name known to allDanthurs is a name known to allDanthurs is a name known to allDanthurs is a name known to allDanthurs is a name known to all
Default

Sounds like a bad contact, wire, or motor. Try moving the wires around, if nothing then it could be a worn motor.
Reply
Old Dec 22, 2008 | 06:59 PM
  #3  
Akomack's Avatar
Thread Starter
Junior Member
 
Joined: Jun 2008
Posts: 4
Likes: 0
Akomack is on a distinguished road
Default

took a look at it earlier.. pulled the cowling off and started the car, no air moving.. so i barely hit the bottom of the motor and it turned on no problem. the motor sounds fine, doesnt whine or grind or anything. just needs a little jogging then it runs fine.... still curious bout it though
Reply
Old Dec 28, 2008 | 11:25 PM
  #4  
silver_SE's Avatar
Member
Posts like a V-Tak
 
Joined: Dec 2004
Posts: 51
Likes: 1
From: Alabama
silver_SE is on a distinguished road
Default I had the same problem

my blower motor did the same thing on my 2002 bonneville.

i drove it for about 6 months and would have to kick the housing to get it to run.

i think the bearings were bad. it would at times sound kind of like a small *** airplane (not as loud). at low speed, you could even hear it barely.

anyway, long story short, i had to replace the blower motor. the replacement is not bad if you know the clock angle to insert. i have an alldatadiy account and their instructions were great. If you don't take the carpet out and clock it just right, you can't get the motor in.

my co-workers 2003 had the same issue.

let me know if you need those alldatadiy instructions.
Reply
Old Feb 28, 2009 | 10:50 AM
  #5  
Corinthone13's Avatar
Junior Member
 
Joined: Oct 2006
Posts: 5
Likes: 0
Corinthone13 is on a distinguished road
Default

Shawn,
I just had the blower motor go out of my 2003 Bonneville and would greatly appreciate if you would upload those instructions from alldatadiy.com. It sounds like a relatively hard part to replace and could use all of the help I can get.
Reply
Old Mar 2, 2009 | 09:11 AM
  #6  
silver_SE's Avatar
Member
Posts like a V-Tak
 
Joined: Dec 2004
Posts: 51
Likes: 1
From: Alabama
silver_SE is on a distinguished road
Default

Here are the steps...

Removal:

Name:  94801265.gif
Views: 647
Size:  11.1 KB

1. Remove the right side sound insulator.
2. Pull back the carpet near the blower motor.
3. Remove the IP compartment.
4. Remove the Dash Integration Module (DIM) from bracket.
5. Remove the 2 rear DIM bracket screws.
6. Reposition the DIM bracket to allow for removal of the blower motor.

Name:  94801264.gif
Views: 1322
Size:  11.8 KB

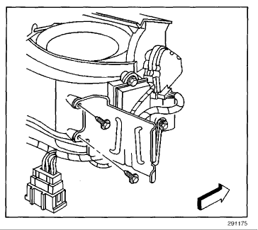
7. Disconnect the electrical connector (2) from the blower motor.
8. Remove the blower motor retaining screws (1).

Name:  94801262.gif
Views: 649
Size:  10.5 KB

9. Lower the blower motor and rotate counter clockwise to remove from the vehicle.

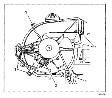
INSTALLATION PROCEDURE



1. install the blower motor. Blower motor will need to be rotated to install into the housing. NOTE: Refer to Fastener Notice in Service Precautions.
2. Install the blower motor retaining screws (1). Tighten Tighten the screw to 1.4 N.m (12 lb in) .
3. Connect the electrical connector (2) to the blower motor.

Name:  94801259.gif
Views: 683
Size:  11.7 KB

4. Reposition the DIM bracket to its original position.
5. Install the 2 rear DIM bracket screws.
6. Install the DIM into the bracket.
7. Install the IP compartment.
8. Reposition the carpet.
9. Install the right side sound insulator.

Hope this helps!
Reply
Old Mar 12, 2009 | 11:07 PM
  #7  
ZeeVert's Avatar
Senior Member
Posts like a Turbo
 
Joined: Jan 2006
Posts: 255
Likes: 0
From: Brighton, Michigan
ZeeVert is on a distinguished road
Default

Those instructions look a little different than my car.
Shouldn't my 2005 GXP have the same blower?
Anyway, go here to see the pictures of my blower and installation.
https://www.gmforum.com/t277509/
Reply
Old Feb 22, 2014 | 03:21 PM
  #8  
paulk's Avatar
Junior Member
 
Joined: Mar 2011
Posts: 1
Likes: 0
paulk is on a distinguished road
Default

The brushes wear in the blower motor and carbon dust builds up on the armature top prevent the motor from running. I have taken the motor partially apart (2 screws) sprayed the area with brake clean and blow it out with compressed air, and it works again.
Reply
Old Feb 24, 2014 | 03:34 PM
  #9  
mikebonneville's Avatar
Junior Member
Posts like a Ricer Type-R
 
Joined: Aug 2009
Posts: 21
Likes: 0
From: NJ
mikebonneville is on a distinguished road
Default easy replacement

I also took the motor out of my 04 SLE and blew it out following directions posted here. It'* an easy r and r. That worked for a while before it failed, maybe 3 months. I bought a replacement from Rockauto and it went right in, no problem. Great price.
Reply
Old Mar 2, 2014 | 09:27 PM
  #10  
03SSEISUPERCHARGED's Avatar
Senior Member
Posts like a Turbo
 
Joined: Jan 2008
Posts: 437
Likes: 3
From: Sheboygan-Right Next to Road America
03SSEISUPERCHARGED is on a distinguished road
Default

Yea that looks nothing like how my old blower motor was. I had the metal housing, I still have yet to get and answer on how to get the plastic aftermarket ones to mount up.
Reply



All times are GMT -4. The time now is 04:53 AM.